
LDJ1-35H/300電流互感器為環氧樹脂澆注絕緣全封閉產品,適用于額定頻率50Hz或60Hz、額定電壓35kV及以下的電力系統中,作電能計量、電流測量和繼電保護用,本產品符合IEC60044-1及GB1208《電流互感器》標準。

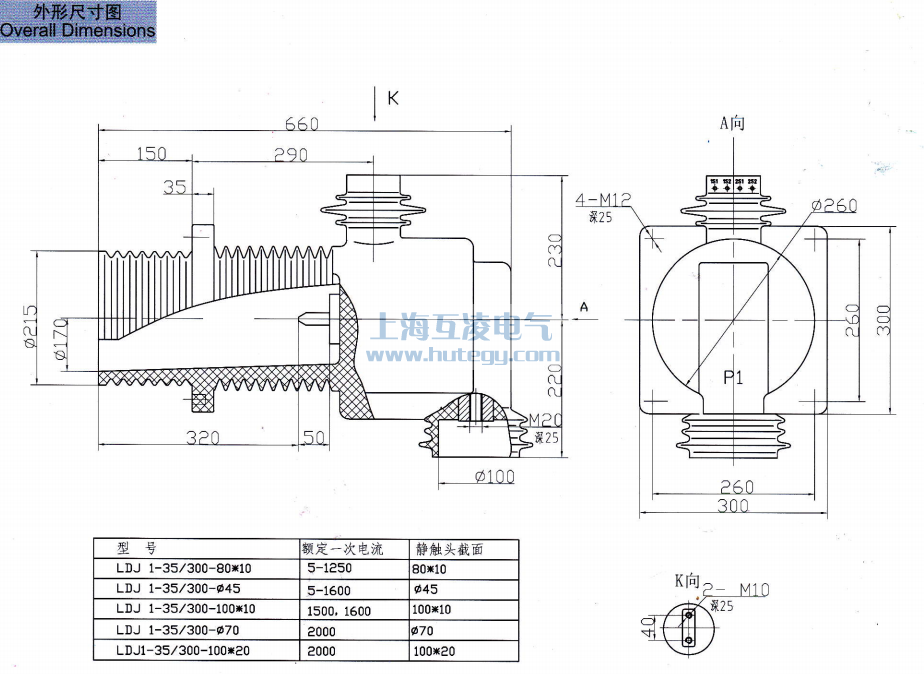
LDJ1-35H/300電流互感器為全封閉環氧樹脂澆注結構,其一次繞組的P2端直接作為開關柜中的靜觸頭,并帶有觸頭盒。靜觸頭截面分80×10、100×10、φ45、φ70。
1、額定絕緣水平:40.5/95/185kV
2、額定二次電流:5A、1A
3、額定一次電流、準確級組合、額定輸出及額定動、熱穩定電流見表1和表2
4、LDJ6-35污穢等級:Ⅱ級
5、產品局部放電水平符合GB1208《電流互感器》要求。
| 額定一次電流(A) | 準確級次組合及額定輸出(VA) | 額定短時熱電流(Ith)(kA) | 額定動穩定電流(Idyn) (kA) | |||
| 0.2/10P10 | 0.5/10P10 | 0.2/0.5 | 10P10/10P10 | |||
| 5~300 | 10/30 | 20/30 | 10/20 | 20/20 | 150I1n | 375 I1n |
| 400 | 10/40 | 15/40 | 10/15 | 20/20 | 63 | 130 |
| 500 | 10/40 | 15/40 | 10/15 | 25/25 | ||
| 600 | 10/50 | 30/50 | 10/30 | 30/30 | ||
| 800 | 15/50 | 30/50 | 15/30 | 30/30 | ||
| 1000~2000 | 20/50 | 50/50 | 20/50 | 40/40 | 80 | |
| 額定一次電流(A) | 準確級次組合 | 額定輸出(VA) | 額定短時熱電流(Ith)(kA) | 額定動穩定電流(Idyn) (kA) | |||
| 0.2 | 0.5 | 10P10 | 10P20 | ||||
| 5~300 | 0.2/0.5 0.2/10P10 0.5/10P10 0.2/10P20 0.5/10P20 0.2/0.5/10P10 0.2/10P10/10P10 0.5/10P10/10P10 |
15 | 20 | 20 | 15 | 150I1n | 375I1n |
| 400 | 45 | 112.5 | |||||
| 500 | 63 | 130 | |||||
| 600 | |||||||
| 800 | 20 | 30 | 30 | 20 | |||
| 1000 | |||||||
| 1200~1600 | 30 | 80 | 160 | ||||

在發電、變電、輸電、配電和用電的線路中電流大小懸殊,從幾安到幾萬安都有。為便于測量、保護和控制需要轉換為比較統一的電流,另外線路上的電壓一般都比較高如直接測量是非常危險的。電流互感器就起到電流變換和電氣隔離作用。
對于指針式的電流表,電流互感器的二次電流大多數是安培級的(如5A等)。對于數字化儀表,采樣的信號一般為毫安級(0-5V、4-20mA等)。微型電流互感器二次電流為毫安級,主要起大互感器與采樣之間的橋梁作用。
微型電流互感器也有人稱之為“儀用電流互感器”。(“儀用電流互感器”有一層含義是在實驗室使用的多電流比精密電流互感器,一般用于擴大儀表量程。)
電流互感器與變壓器類似也是根據電磁感應原理工作,變壓器變換的是電壓而電流互感器變換的是電流罷了。電流互感器接被測電流的繞組(匝數為N1),稱為一次繞組(或原邊繞組、初級繞組);接測量儀表的繞組(匝數為N2)稱為二次繞組(或副邊繞組、次級繞組)。
電流互感器一次繞組電流I1與二次繞組I2的電流比,叫實際電流比K。電流互感器在額定電流下工作時的電流比叫電流互感器額定電流比,用Kn表示。
Kn=I1n/I2n
電流互感器(Current transformer 簡稱CT)的作用是可以把數值較大的一次電流通過一定的變比轉換為數值較小的二次電流,用來進行保護、測量等用途。如變比為400/5的電流互感器,可以把實際為400A的電流轉變為5A的電流。